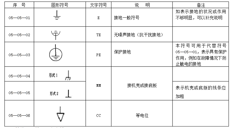
全部接地符号图
的有关信息介绍如下:接地符号图包括一般接地、保护接地、抗干扰接地、机壳地、等电位体等,标准制图符号请参见下图:

接地字母和符号表示的意思:
PE、PGND、FG-保护地或机壳数咐;
BGND或DC-RETURN-直流-48V(+24V)电源(电池)回流;
GND-工作地;
DGND-数字地;
AGND-模拟地;
LGND-防雷保护地。

1、一般接地符号是一竖三横,竖与第一横相接。
2、无噪声接地符号是一般接地加一半圆口朝下。
3、保护接地符号是一般接地的基础上加一圈包住下三横。
电气接地箭头符号图例,在防雷接地平面图中,表达引下线用箭头图例的意思见下图:

拓展资料:
接地技术:接地就是指在系统与某个电位基准之间建立低电阻通路,相同接地点之间的连线被称为地线。
通常电子设备的“地”有两种含义:一种是接“大地”。以大地作为零电位,把电子设备的金属外壳、电路基准点与大地相连,有保护设备和人员安全的作用,如保护接地、防雷接地等,通常称之为“安全地”。
另一种是“系统基准地”。在弱电系统中的接地不一定是指真实意义薯埋纯上与地球相连的接地,有提高系统稳定性、屏蔽保护性以增强系统电磁兼容性的作用,在必要时也可做接“大地”处理,通常称之为“信号地”。
接地符号:PE,PGND,FG-保护地或机壳;BGND或DC-RETURN-直流-48V(+24V)电源(电池)回流;GND-工作地;DGND-数字地;AGND-模拟地;LGND-防雷保护地。



常见的接地种类有以下几项:
重复接地、保护接地、工作接地、防雷接地、屏蔽接地、防静电接地等。
重复接地
重复接地就是在中性点直接接地的系统中,在零干线的一处或多处用金属导线连接接地装置。
在低压三相四线制中性点直接接地线路中,施工单位在安装时,应将配电线路的零干线和分支线的终端接地,零干线上每隔1千米做一次接地。
对于距接地点超过50米的配电线路,接入用户处的零线仍应重复接地,重复接地电阻应不大于10欧。
保护接地
电气设备在正常情况下不带电的金属外壳及金属支架与大地作电气连接,称为保护接地。保护接地主要应用在中性点不接地的供电系统中。
倘若不采用保护接地措施,那么人体触及带电外壳时,由于输电线和大地之间存在分布电容而构成回路,使人体有电流通过而发生触电事故。
倘若电气设备采用了保护接地措施,那么人体触及带电外壳时,人体与保护接地装置的电阻并联。由于接地电阻小于人体电阻,此时可以认为通过人体的电流很小,电流几乎不通过人体,避免了触电事故。

工作接地
接地网示意图地是为了使系统以及与之相连的仪表均能可靠运行并保证测量和控制精度而设的接地。它分为机器逻辑地、信号回路接地、屏蔽接地,在石化和其它防爆系统中还有本安接地。
防雷接地
防雷接地是组成防雷措施的一部分,其作用是把雷电流引入大地。
建筑物和电气设备的防雷主要是用避雷器(包括避雷针、避雷带、避雷网和消雷装置等)。
避雷器的一端与被保护设备相接,另一端连接地装置。当发生直击雷时,避雷器将雷电引向自身,雷电流经过其引下线和接地装置进入大地。
此外,由于雷电引起静电感应副效应,为了防止造成间接损害,如房屋起火或触电等,通常也要将建筑物内的金属设备、金属管道和钢筋结构等接地;雷电波会沿着低压架空线、电视天线侵入房屋,引起屋内电工设备的绝缘击穿,从而造成火灾或人身触电伤亡事故,所以还要将线路上和进屋前的绝缘瓷瓶铁脚接地。
屏蔽接地
是消除电磁场对人体危害的有效措施,也是防止电磁干扰的有效措施。高频技术在电热、医疗、无线电广播、通信、电视台和导航、雷达等方面得到了广泛应用。人体在电磁场作用下,吸收的辐射能量将发生生物学作用,对人体造成伤害,如手指轻微颤抖、皮肤划痕、视力减退等。对产生磁场的液尺设备外壳设屏蔽装置,并将屏蔽体接地,不仅可以降低屏蔽体以外的电磁场强度,达到减轻或消除电磁场对人体危害的目的,也可以保护屏蔽接地体内的设备免受外界电磁场的干扰影响。
防静电接地
为防止静电危害影响并将其泄放,是静电防护最重要的一环。



